Вхід на сайт

Ел. пошта:
Пароль:

Реєстрація на сайті

Призвіще: Область:
Ім'я: Населений пункт:
    По батькові: Номер телефону:
    Ел. пошта: Компанія:
      Пароль: Посада:
      Повторіть пароль: Рік початку роботи:
      Фото:
      З правилами розміщення об'єктів погоджуюсь

      Забули пароль?

      Вкажіть ел. пошту — ми надішлемо Вам новий пароль для входу
      Ел. пошта:

      Проблема на сайті

      Закрити
      Ваш e-mail:
      (необов'язково)
      Розкажіть нам, що сталось

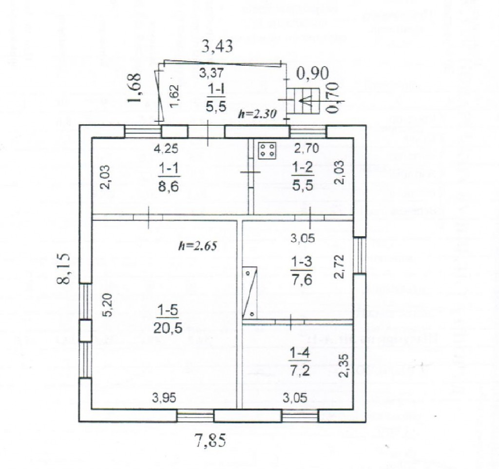
      ул. Хвойная, 44в — Продається будинок

      (г. Днепр, Бабушкинский район)

      11000 $

      Загальна площа: 55 кв.м

      Площа ділянки: 9 сот

      Кімнат: 3

      К-ть поверхів: 1

      Краснополье. Юго-западная часть города. Крупный жилой поселок южнее ЮМЗ, между Криворожским шоссе (запад) и ул. Кротова – Шинный завод (восток).
      В 2 км. к северу от осн. части поселка существует ж.д. платформа Краснополье. В поселке развитая инфраструктура – школа, садик, магазин, транспорт в Центр Города. Зеленый и уютный поселок.

      Продается дом в Краснополье. ул. Хвойная.

      Дом 1991 года. Недостроенный, шлако-блочный. Коммуникации к дому подведены – вода, свет, газ.
      Участок 9 соток. Все требует капитального ремонта.
      Если есть вопросы – звоните. Приезжайте на просмотр.

      Надіслати скаргу

      Закрити
      Поскаржитися на об'єкт «ул. Хвойная, 44в (г. Днепр, Бабушкинский район)»
      Ваш коментар:(Необов'язково)
      Ваша скарга буде надіслана ріелтору, що розмістив об'єкт, а також адміністрації сайту АФНУ.
      Ваше ім'я:
      (Обов'язково)
      Ваш e-mail для відповіді:
      (Обов'язково)

      Коментарі